Phone Number
+90 850 259 25 50

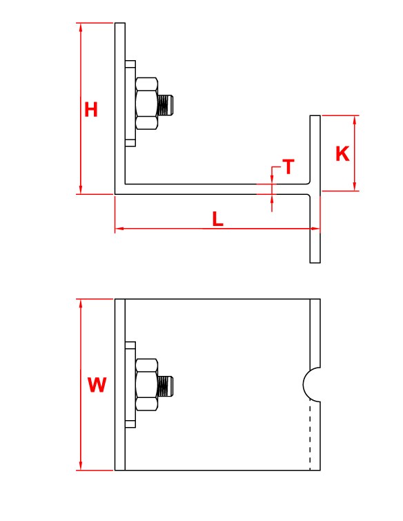
Kerf Anchor

Home » Products » Kerf Anchor
11 Kasım 2021

Kerf Anchor

Product Description

Product Code :

Kırlangıç Ankraj

Product Gallery
Labels